此系列觸摸安全型 1-3 位大電流連接器和高壓線纜帶有集成 HVIL 和多線路選項,符合 SAE J1742, LV215-1規范,額定電流可高達300A。
標簽:TL300,300A,單芯,金屬,TL系列,300A高壓插頭
可選方向: 直式/彎式
可選電流:100A~600A
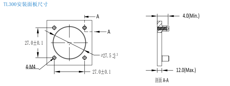
產品圖紙: TL300.pdf(點擊下載)
咨詢熱線:18518765758(微信同號)
Email:kaikai@dosin.cn








溫馨提示
如果您覺得TL300系列,無法滿足您的需求,可以咨詢我們的工防師,讓他們根據您的需求推薦適合您的產品。TL系列產品,可選電流分別是100A,200A,300A,400A,500A,600A,有直彎兩種方向,可選擇帶不帶互鎖功能。
TL300產品問答
TL300系列料號較多,具體產品問題,請直接聯系工防師或者業務進行咨詢。咨詢電話:18518765758(微信同號),全面解答您關于TL300A高壓連接器單芯金屬版產品技術問題。







