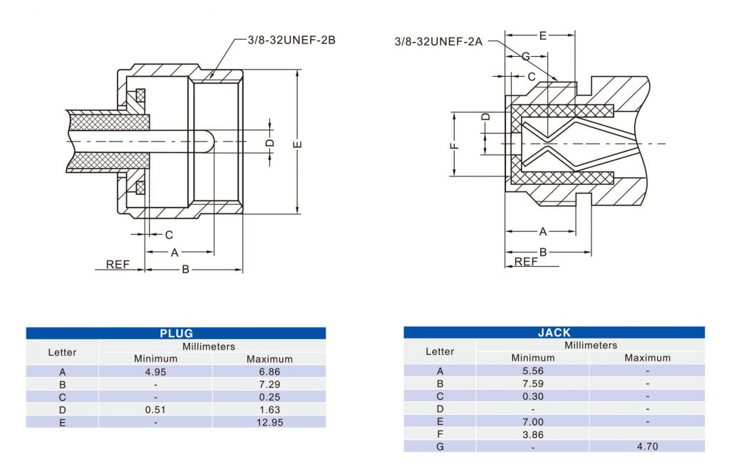
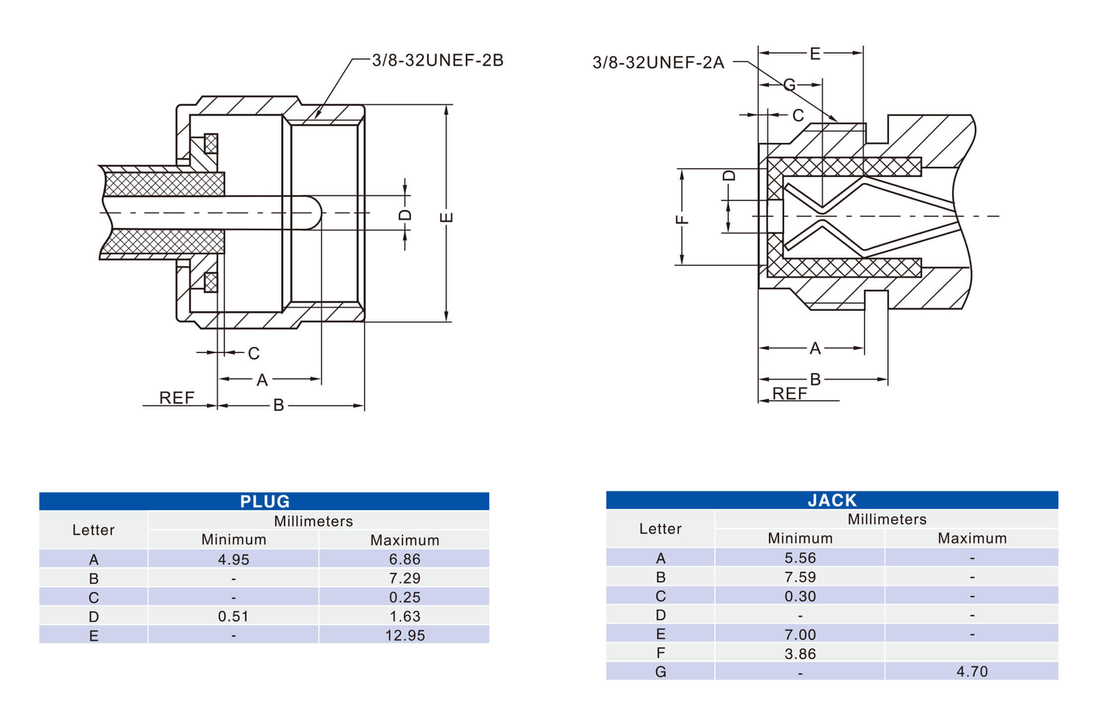
F頭連接器是一種同軸射頻連接器,通常用于無線電視、有線電視,一般配合RG-6/U及RG-59/U型電纜使用。最早于1950年發明。F型連接器相對于其他的RF射頻連接器結構更簡單,因而制造成本更加低廉。但其對于75歐姆卻有著良好的阻抗匹配能高達1Ghz,而且可用帶寬高達幾GHz。F公頭接頭通常為擠壓式,F母頭有一個 3/8-32 螺旋頭。
德索五金供應各種常見CCTV電視F型接頭、F型接口連接器,更多未列出F頭連接器產品,請聯系我們索取更詳細資料。
- F型接頭依據國際MIL-C-39012,CECC22120和IEC60169-8標準生產。產品設計合理緊湊,減少安裝空間;
- F型接頭采用螺紋連接方式,連接更緊密穩固,結構簡單,不到30秒即可完成接線,安裝好后無需拆卸即可檢驗;
- F型接頭結構和組件簡單易于生產,生產效率高,價格低廉。
F頭連接器產品展示

f連接器RF同軸射頻彎式母頭穿墻PCB板端

f同軸連接器RF射頻焊接彎式4腳穿墻母頭PCB板端

f頭連接器方形5引針母頭彎式射頻同軸穿墻PCB板

f 型連接器RF射頻同軸彎式母頭穿墻

機頂盒接線頭RF射頻同軸F頭連接器穿墻接線

f型連接器RF射頻同軸母頭穿墻彎式接PCB板

射頻pcb連接器RF同軸直式穿墻母頭F頭

pcb 連接RF射頻同軸F頭鋅合金彎式母頭穿墻連接器

pcb連接器頭90度RF射頻同軸F頭彎式穿墻母頭接板

連接器 pcb RF射頻同軸F頭彎式母頭穿墻板端

母連接器 F型RF同軸射頻直式母頭穿墻

f頭直通連接器 鍍金母頭 RF射頻同軸

f母頭視頻接頭加長型直式穿墻母頭射頻同軸連接器

電視射頻接口 母頭F型同軸直式穿墻連接器

f型同軸連接器75歐防水穿墻直式公頭RF射頻

f頭轉角連接器壓接公頭RF射頻同軸接線

f型視頻連接器直式公頭 RF同軸接線

f系列連接器 直式公頭 RF射頻同軸

f頭同軸連接器 直式公頭 RF同軸接線

f射頻連接器 RF同軸 直式壓接公頭接線

公連接器類型F頭 壓接直式公頭 RF射頻同軸

連接器公頭F頭 RF射頻同軸 直式穿墻

有限電視公制f頭鍍金直式公頭 RF射頻同軸連接器

同軸公頭F頭防水直式公頭RF射頻接線連接器

公頭接線F型RF射頻同軸直式公頭連接器

有線電視連接器高性能F頭射頻同軸直式公頭

有線電視 接頭 直式公頭F頭射頻同軸連接器

接線快插頭直式公頭F頭RF射頻同軸連接器

有線電視連線接頭F頭射頻同軸連接器直式公頭

有線電視線直通頭F頭RF射頻同軸連接器直式公頭接線

有線電視f頭RF射頻同軸彎式穿墻連接器

有線電視 f頭彎式穿墻母頭RF射頻同軸連接器

彎式電連接器F頭射頻同軸RF母頭接線

有線電視接頭 f頭彎式方形4腳母頭射頻同軸連接器

有線電視接頭 f頭彎式方形4腳母頭射頻同軸連接器

rf射頻連接器F頭同軸壓接直式公頭接線

f接頭連接器75歐姆直式穿墻母頭RF射頻同軸

f射頻同軸連接器 穿墻直式母頭75歐姆RF

f頭射頻同軸連接器 直式母頭穿墻接線

母插頭F頭 直式母頭 RF射頻同軸連接器接線
F頭連接器產品界面
F頭連接器技術性能&規格參數
F型接頭電氣性能
- F型接頭阻抗:75 ohm
- F型接頭頻率范圍:0~3 GHz
- F型接頭電壓駐波比:直式 ≦ 1.2max / 彎式≦ 1.3max
- F型接頭耐電壓:500 V rms
- F型接頭工作電壓:170 V rms
- F型接頭中心接觸電阻: ≦ 10 mΩ (Milliohms max.)
- F型接頭外接觸電阻:≦ 5 mΩ (Milliohms max.)
- F型接頭絕緣電阻:≧ 1000 mΩ (Megohms min.)
- F型接頭射頻泄漏 -100dB min @1GHz
F型接頭機械性能
- F型接頭耦合方式:3/8-32 螺紋連接
- F型接頭保持力:20 lbs min.
- F型接頭機械壽命:大于500次
F型接頭環境性能
- F型接頭環境溫度:-40°C ~ +60°C

