德索五金供應各種常見YGD電連接器,更多未列出YGD電連接器產品,請聯系我們索取更詳細資料。
- 采用卡口連接,接觸件端接形式為焊接,插孔接觸件為冠簧插孔
- 產品具有快速鏈接和分離,耐環境好、可靠性高等特點。
- 適用于大電流電源系列連接
- 符合GJB5371-2005《YGD系列圓形電源連接器通用規范》
YGD電連接器產品展示
YGD電連接器技術性能&規格參數
絕緣電阻:
|
常態下(MΩ) |
高溫(MΩ) |
潮溫(MΩ) |
|
5000 |
100 |
100 |
工作電流與接觸電阻:
|
接觸件號 |
插合端直徑 |
額定工作工作電流 |
最大接觸電阻 |
|
|
初始值 |
壽命試驗后 |
|||
|
20 |
1.02±0.03 |
7.5 |
7 |
8.5 |
|
16 |
1.588±0.025 |
13 |
3.7 |
4.5 |
|
12 |
2.39±0.03 |
23 |
1.8 |
2.2 |
|
10 |
3.18±0.03 |
33 |
1.0 |
1.2 |
|
8 |
3.61±0.03 |
46 |
0.5 |
0.7 |
|
6 |
4.52±0.03 |
60 |
0.4 |
0.5 |
|
4 |
5.72±0.03 |
80 |
0.25 |
0.35 |
|
2 |
7.19±0.03 |
100 |
0.17 |
0.21 |
| 注:壽命試驗指有關溫度沖擊、機械壽命、鹽霧、高溫壽命及探針損傷等試驗。 | ||||
工作電壓和耐電壓:
|
連接器接觸件 |
額定工作電壓(V) |
耐電壓(V) |
|||||
|
海平面 |
海拔高度21336m |
海平面 |
海拔高度21336m |
||||
|
0802、0803、0804 |
600 |
300 |
1500 |
375 |
|||
|
1002、1003、1202、1203、 |
1000 |
450 |
2300 |
500 |
|||
YGD電連接器分類
|
序號 |
分類特征 |
分類內容 |
標志代號 |
|
1 |
連接器類別 |
電源連接器 |
YGD |
|
2 |
連接器類別 |
方形法蘭盤安裝非屏蔽固定連接器 |
10 |
| 方形法蘭盤安裝屏蔽固定連接器 |
20 |
||
| 螺母安裝非屏蔽固定連接器 |
14 |
||
| 螺母安裝屏蔽固定連接器 |
24 |
||
| 非屏蔽自由連接器 |
16 |
||
| 屏蔽自由連接器 |
26 |
||
|
3 |
表面處理方式 |
黑色陽極氧化,非導電外殼 |
R |
| 化學鍍暗鎳,導電外殼 |
N |
||
| 電鍍鎘,導電外殼 |
B |
||
| 電鍍黑烙,導電外殼 |
H |
||
|
4 |
外殼號 |
連接器外殼代號 |
08、11、12、… |
|
5 |
接觸件孔位排列號 |
接觸件孔位排列代號 |
數字(+字母) |
|
6 |
接觸件類型 |
插針接觸件 |
J |
| 插孔接觸件 |
K |
||
|
7 |
尾部附件 |
結構形式 |
數字 |
|
8 |
定位鍵位置 |
鍵(或鍵槽)角度 |
N、A、B、C、D、E |
|
9 |
電纜直徑 |
Φ數字 |
電纜直徑大小 |
絕緣體孔位排列(從插合面看插針絕緣體孔位)
YGD電連接器型號命名
定位鍵位置
|
外殼號碼 |
鍵及鍵槽排列識別字母 |
AR°或AP° |
BR°或BP° |
CR°或CP° |
DR°或DP° |
|
8 |
N |
95 |
141 |
208 |
236 |
|
A |
102 |
132 |
248 |
320 |
|
|
B |
80 |
118 |
230 |
312 |
|
|
E |
91 |
131 |
197 |
240 |
|
|
10、12、14 |
N |
95 |
141 |
208 |
236 |
|
A |
113 |
156 |
182 |
292 |
|
|
B |
90 |
145 |
195 |
252 |
|
|
C |
53 |
156 |
220 |
255 |
|
|
D |
119 |
146 |
176 |
298 |
|
|
E |
51 |
141 |
184 |
242 |
|
|
16 |
N |
80 |
142 |
196 |
293 |
|
A |
135 |
170 |
200 |
310 |
|
|
B |
49 |
169 |
200 |
244 |
|
|
C |
66 |
140 |
200 |
257 |
|
|
D |
62 |
145 |
180 |
280 |
|
|
E |
79 |
153 |
197 |
272 |
|
|
18 |
N |
105 |
140 |
215 |
265 |
|
A |
135 |
170 |
200 |
310 |
|
|
B |
49 |
169 |
200 |
244 |
|
|
C |
66 |
140 |
200 |
257 |
|
|
D |
62 |
145 |
180 |
280 |
|
|
E |
79 |
153 |
197 |
272 |
|
|
22、24、28、32 |
N |
80 |
142 |
196 |
293 |
|
A |
135 |
170 |
200 |
310 |
|
|
B |
49 |
169 |
200 |
244 |
|
|
C |
66 |
140 |
200 |
257 |
|
|
D |
62 |
145 |
180 |
280 |
|
|
E |
79 |
153 |
197 |
272 |
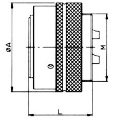
YGD外形尺寸及安裝尺寸
自由連接外形尺寸
|
殼體號 |
A |
M |
L(參考) |
|
08 |
21.00 |
M14×1.0(左) |
25.50 |
|
10 |
24.50 |
M16×1.0(左) |
|
|
12 |
26.50 |
M20×1.0(左) |
|
|
14 |
31.00 |
M22×1.0(左) |
|
|
16 |
32.00 |
M25×1.0(左) |
|
|
18 |
35.50 |
M27×1.0(左) |
|
|
22 |
44.50 |
M35×1.5(左) |
28.50 |
|
24 |
49.00 |
M38×1.5(左) |
30.50 |
|
28 |
53.50 |
M42×1.5(左) |
|
|
32 |
59.50 |
M48×1.5(左) |
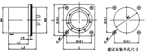
方形法蘭盤安裝固定連接器外形及安裝開孔尺寸
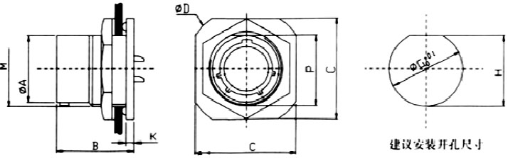
螺母安裝固定連接器
|
殼體號 |
A |
B |
C |
D |
P |
K |
G |
H |
M |
|
08 |
12.04 |
23 |
23.94 |
26.94 |
13.00 |
2.5 |
14.20 |
13.20 |
M14×1.0 |
|
10 |
15.01 |
26.94 |
30.14 |
16.90 |
18.20 |
17.20 |
M18×1.0 |
||
|
12 |
19.07 |
31.74 |
34.94 |
20.70 |
22.20 |
20.90 |
M22×1.0 |
||
|
14 |
22.25 |
34.94 |
38.04 |
23.80 |
25.20 |
24.00 |
M25×1.5 |
||
|
16 |
25.43 |
38.24 |
41.24 |
26.80 |
28.20 |
27.00 |
M28×1.5 |
||
|
18 |
28.60 |
41.34 |
44.44 |
30.50 |
32.20 |
30.70 |
M32×1.5 |
||
|
22 |
34.95 |
49.24 |
52.24 |
36.70 |
3.5 |
38.20 |
36.90 |
M38×1.5 |
|
|
24 |
38.13 |
25 |
52.74 |
55.54 |
40.50 |
42.20 |
40.70 |
M42×1.5 |
|
|
28 |
41.81 |
55.00 |
58.00 |
4350 |
45.20 |
43.70 |
M45×1.5 |
||
|
32 |
48.25 |
62.00 |
65.00 |
50.00 |
52.20 |
50.20 |
M52×1.5 |
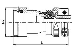
YGD電連接器附件
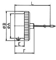
尾部附件 1)直式屏蔽電纜密封式尾部附件
|
殼體號 |
A |
電纜直徑 |
L(參考) |
|
08 |
18 |
5 |
35 |
|
6 |
|||
|
7 |
|||
|
10 |
22.5 |
5 |
40 |
|
6 |
|||
|
7 |
|||
|
8 |
|||
|
12 |
24.5 |
7 |
|
|
8 |
|||
|
9 |
|||
|
10 |
|||
|
4 |
29 |
8 |
|
|
9 |
|||
|
10 |
|||
|
11 |
|||
|
12 |
|||
|
16 |
30 |
8 |
|
|
9 |
|||
|
10 |
|||
|
11 |
|||
|
12 |
|||
|
18 |
33 |
10 |
|
|
12 |
|||
|
13 |
|||
|
15 |
|||
|
22 |
42.5 |
13 |
45 |
|
15 |
|||
|
17 |
|||
|
24 |
46 |
13 |
|
|
15 |
|||
|
17 |
|||
|
28 |
50.5 |
17 |
|
|
20 |
|||
|
32 |
56.5 |
17 |
50 |
|
20 |
2)直式電纜夾線夾式尾部附件
|
殼體號 |
A |
電纜直徑 |
L(參考) |
|
08 |
18 |
5 |
35 |
|
6 |
|||
|
7 |
|||
|
10 |
22.5 |
5 |
40 |
|
6 |
|||
|
7 |
|||
|
8 |
|||
|
12 |
24.5 |
7 |
|
|
8 |
|||
|
9 |
|||
|
10 |
|||
|
14 |
29 |
8 |
|
|
9 |
|||
|
10 |
|||
|
11 |
|||
|
12 |
|||
|
16 |
30 |
8 |
|
|
9 |
|||
|
10 |
|||
|
11 |
|||
|
12 |
|||
|
18 |
33 |
10 |
|
|
12 |
|||
|
13 |
|||
|
15 |
|||
|
22 |
42.5 |
13 |
45 |
|
15 |
|||
|
17 |
|||
|
24 |
46 |
13 |
|
|
15 |
|||
|
17 |
|||
|
28 |
50.5 |
17 |
|
|
20 |
|||
|
32 |
56.5 |
17 |
50 |
|
20 |
3)直式屏蔽電纜密封夾線式尾部附件
|
殼體號 |
A |
電纜直徑 |
L(參考) |
|
08 |
18 |
5 |
40 |
|
6 |
|||
|
7 |
|||
|
10 |
22.5 |
5 |
45 |
|
6 |
|||
|
7 |
|||
|
8 |
|||
|
12 |
24.5 |
7 |
|
|
8 |
|||
|
9 |
|||
|
10 |
|||
|
14 |
29 |
8 |
|
|
9 |
|||
|
10 |
|||
|
11 |
|||
|
12 |
|||
|
16 |
30 |
8 |
|
|
9 |
|||
|
10 |
|||
|
11 |
|||
|
12 |
|||
|
18 |
33 |
10 |
|
|
12 |
|||
|
13 |
|||
|
15 |
|||
|
22 |
42.5 |
13 |
50 |
|
15 |
|||
|
17 |
|||
|
24 |
46 |
13 |
|
|
15 |
|||
|
17 |
|||
|
28 |
50.5 |
17 |
|
|
20 |
|||
|
32 |
56.5 |
17 |
55 |
|
20 |
|
殼體號 |
A |
電纜直徑 |
L(參考) |
|
08 |
18 |
5 |
35 |
|
6 |
|||
|
7 |
|||
|
10 |
22.5 |
5 |
40 |
|
6 |
|||
|
7 |
|||
|
8 |
|||
|
12 |
24.5 |
7 |
|
|
8 |
|||
|
9 |
|||
|
10 |
|||
|
14 |
29 |
8 |
|
|
9 |
|||
|
10 |
|||
|
11 |
|||
|
12 |
|||
|
16 |
30 |
8 |
|
|
9 |
|||
|
10 |
|||
|
11 |
|||
|
12 |
|||
|
18 |
33 |
10 |
|
|
12 |
|||
|
13 |
|||
|
15 |
|||
|
22 |
42.5 |
13 |
45 |
|
15 |
|||
|
17 |
|||
|
24 |
46 |
13 |
|
|
15 |
|||
|
17 |
|||
|
28 |
50.5 |
17 |
|
|
20 |
|||
|
32 |
56.5 |
17 |
|
|
20 |
|
殼體號 |
A |
電纜直徑 |
L(參考) |
|
08 |
18 |
5 |
35 |
|
6 |
|||
|
7 |
|||
|
10 |
22.5 |
5 |
40 |
|
6 |
|||
|
7 |
|||
|
8 |
|||
|
12 |
24.5 |
7 |
|
|
8 |
|||
|
9 |
|||
|
10 |
|||
|
14 |
29 |
8 |
|
|
9 |
|||
|
10 |
|||
|
11 |
|||
|
12 |
|||
|
16 |
30 |
8 |
|
|
9 |
|||
|
10 |
|||
|
11 |
|||
|
12 |
|||
|
18 |
33 |
10 |
|
|
12 |
|||
|
13 |
|||
|
15 |
|||
|
22 |
42.5 |
13 |
45 |
|
15 |
|||
|
17 |
|||
|
24 |
46 |
13 |
|
|
15 |
|||
|
17 |
|||
|
28 |
50.5 |
17 |
|
|
20 |
|||
|
32 |
56.5 |
17 |
|
|
20 |
|
殼體號 |
A |
電纜直徑 |
L(參考) |
|
08 |
18 |
5 |
35 |
|
6 |
|||
|
7 |
|||
|
10 |
22.5 |
5 |
40 |
|
6 |
|||
|
7 |
|||
|
8 |
|||
|
12 |
24.5 |
7 |
|
|
8 |
|||
|
9 |
|||
|
10 |
|||
|
14 |
29 |
8 |
|
|
9 |
|||
|
10 |
|||
|
11 |
|||
|
12 |
|||
|
16 |
30 |
8 |
|
|
9 |
|||
|
10 |
|||
|
11 |
|||
|
12 |
|||
|
18 |
33 |
10 |
|
|
12 |
|||
|
13 |
|||
|
15 |
|||
|
22 |
42.5 |
13 |
45 |
|
15 |
|||
|
17 |
|||
|
24 |
46 |
13 |
|
|
15 |
|||
|
17 |
|||
|
28 |
50.5 |
17 |
|
|
20 |
|||
|
32 |
56.5 |
17 |
|
|
20 |
注:尾部附件若與插頭的訂購數量相同,可直接在型號后面加尾部附件代號,若與插頭的訂購數量不同,則需單獨訂購。
金屬防水蓋
1)插頭防水蓋
2)插座防水蓋
YGD電連接器技術特性
- 工作溫度:-55℃~125℃。
- 相對濕度:90%~98%。
- 工作欺壓:4.39Kpa~101.33Kpa
- 鹽 霧:N類、H類48H,R類、B類96h。
- 密 封 性
- 插 座:壓差1.01×103Pa,歷時1min無氣泡漏泄;
- 頭座插合:1.8m水深48h不滲水。
- 振 動:10Hz~2000Hz,196m/s2,瞬斷≤1μs。
- 沖 擊:980m/s2,瞬斷≤1μs。
- 機械壽命:連接環材料為鋁合金≥500次,連接環材料為銅合金≥2000次。
























