過孔連接器300A-SG3M金屬系列制造商

德索精密工業SG1M SG2M SG3M 金屬連接器系統可在高達 1000V 時達到 300A。 具有高機械強度,優良的振動和屏蔽,做線效率高等優點。
主要特點
- 與電控連接,安裝簡單便捷,可靠性高。
- 獨創的塑膠卡扣固定波紋管結構,優化了作業流程,可保證生產的節拍平衡
- 通過結構優化,提供了防水等級,達到了IP68等級,比市面上同類產品防水性能更優
SG1M SG2M SG3M 連接器具有高機械強度、出色的振動和屏蔽性能、壓接效率高,非常適合典型的高壓電動汽車應用,例如電機、控制器、PDU 和電池之間的連接。該系列包括單孔、2 孔和 3 孔連接器,為了獲得最大的靈活性,銅或鋁電纜可用于七種不同的電纜橫截面。
SG3M系列多芯過孔連接器優勢
- 與電控連接,安裝簡單便捷,可靠性高。
- 獨創的塑膠卡扣固定波紋管結構,優化了作業流程,可保證生產的節拍平衡。
- 尾部束線采用塑膠卡扣固定波紋管結構,保證了產品的一致性。
- 通過結構優化,提供了防水等級,達到了IP68等級,比市面上同類產品防水性能更優。
- 可以替代格蘭頭產品。
- 產品符合RoHS要求。
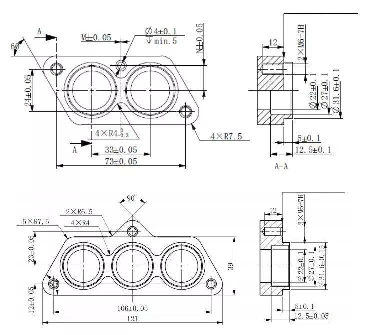
SG3M系列多芯過孔連接器尺寸
SG3M系列 300A過孔金屬連接器參數
| 電氣性能 | 額定電壓 | 1000V |
| 耐電壓 | 4000V | |
| 額定電流 | MAX 300A | |
| 絕緣電阻 | 5000MΩ | |
| 機械性能 | 孔數 | 2孔、3孔 |
| 拆裝次數 | 50次 | |
| 適配線徑 | 16mm2、25mm2、35mm2、50mm2、70mm2 | |
| 振動等級 | QC/T 1067.1-2017 V3 | |
| 材質說明 | 外殼體 | 鋁合金 |
| 屏蔽 | 銅合金 | |
| 注塑件 | PA66 | |
| 橡膠件 | 硅橡膠 | |
| 環境性能 | 溫度等級 | -40℃~140℃ |
| 防護等級 | ?IP67、IP69K | |
| 鹽霧等級 | 96h |
SG3M系列過孔連接器型號
| 外形圖(示例) | 型號 | 產品描述 | 適配線徑 |
![]() |
SG3M-21-70YP | 2芯適配單芯70mm2屏蔽線 | φ19±0.3mm |
| SG3M-21-50YP | 2芯適配單芯50mm2屏蔽線 | φ17.2±0.3mm | |
| SG3M-21-35YP | 2芯適配單芯35mm2屏蔽線 | φ15±0.3mm | |
| SG3M-21-25YP | 2芯適配單芯25mm2屏蔽線 | φ13.8±0.3mm | |
| SG3M-21-16YP | 2芯適配單芯16mm2屏蔽線 | φ11.3±0.3mm | |
![]() |
SG3M-31-70YP | 3芯適配單芯70mm2屏蔽線 | φ19±0.3mm |
| SG3M-31-50YP | 3芯適配單芯50mm2屏蔽線 | φ17.2±0.3mm | |
| SG3M-31-35YP | 3芯適配單芯35mm2屏蔽線 | φ15±0.3mm | |
| SG3M-31-25YP | 3芯適配單芯25mm2屏蔽線 | φ13.8±0.3mm | |
| SG3M-31-16YP | 3芯適配單芯16mm2屏蔽線 | φ11.3±0.3mm |
獲取樣品
如果您對我們的產品感興趣,請隨時與我們電話聯系18518765758或填寫下面的留言表。我們的銷售代表將在 24 小時內與您聯系。











